A Dual-function Power Driver with “Virtual Inertia” for Power Grid Stabilization
- Field
- Electronics
- Patent
- IP00597
Key Problem and Market Opportunity
- In future power grids, most of the power will be generated by decentralized renewable energy sources and these sources will feed in power using electronic inverters
- The utilization of renewable energy sources in electric power generation poses a great challenge to power system operation and management because of their intermittent and distributed nature
- To address the grid stabilization issue, proposals exist to add “virtual inertia” to the control of feed-in inverters. However, these methods usually discharges an electric storage element and the additional of such extra energy storage to the grid is costly
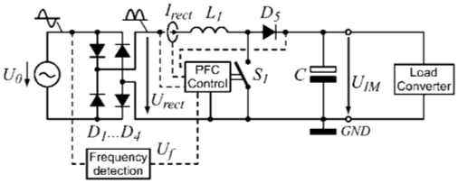
- The current invention is an innovative Dual-Function Power Driver which apart from providing power conversion function, it also provides a “virtual inertia” function for grid stabilization
Key Advantages of the Technology
- The Dual-function Power Driver may control power drawn from the grid, supply power to the grid or control the amount of power given to the load, based on state variables like grid frequency, grid voltage, grid frequency time derivative, voltage frequency time derivative, changes in voltage and/or frequency as well as the load demand
- It supports both AC and DC grids and it provides voltage stabilization, frequency stabilization and Power Factor Correction to the power grid
- In addition to the existing micro-grid, the Dual-function Power Driver will be also beneficial for the future power grids that have a large proportion of renewable energy feed-in
- As much of the proposed topology is already used in today’s power supplies, little or no additional hardware would be required to implement the current invention, and only the control mechanism of the first power stage would have to be modified – an easy and cost effectively solution for supporting decentralized grid stabilization
| On providing “virtual inertia” to the power grid | Feed-in Inverters | HKU Dual-function Power Driver |
|---|---|---|
| Implementation cost | ✗ High | ✓ Low |
| Deployment lead-time | ✗ Long | ✓ Short |
Potential Product and Services
- Power Drivers - AC/DC or DC/DC power supply unit for installing in electrical appliances and electronic equipment
Development Status and IP Strength
- PCT Application No. PPCT/CN2017/071889
- Device prototype is available in laboratory scale

